Veleprodaja Kemijski skruber

  • Kemijski skruber

Kemijski skruber

Kemijski čistač je napredni filtar za čišćenje. Koristi posebnu strukturu i veliku specifičnu površinu redovitog pakiranja kao pakiranje za prijenos mase i dehidraciju. U isto vrijeme, u skladu s različitim komponentama koje uzrokuju miris u mirisu, odgovarajuća kiselina, lužina i oksidans koriste se kao apsorpcijska tekućina za pranje kako bi se uklonio miris u prostoru i eliminirao utjecaj na okolni okoliš.

Protok mirisnog zraka prenosi se kroz zračni kanal i ulazi u toranj iz ulaza u toranj. Nakon ulaska u toranj, prolazi kroz sloj pakiranja odozdo prema gore i konačno se ispušta iz izlaza cjevovoda na vrhu tornja kroz antikorozivni ventilator. Otopina za neutralizaciju prolazi kroz separator tekućine na vrhu tornja, ravnomjerno se raspršuje u sloj za pakiranje, teče niz površinu sloja za pakiranje dok se ne ispusti s dna tornja kroz cjevovod i cirkulira antikorozivnom cirkulacijskom pumpom. Kako koncentracija otopljenih tvari u uzlaznom protoku zraka postaje sve niža i niža, funkcija pročišćavanja se postiže kada dosegne vrh tornja, te se ispušta ili nastavlja pročišćavati kroz sljedeći korak. Naprotiv, koncentracija medija u tekućini koja se spušta postaje sve viša i viša, a uvjete procesa postiže kada dosegne dno tornja i ispusti se iz tornja.

Prednosti tornja za pakiranje raspršivačem: Ima visoku učinkovitost, mali kapacitet zadržavanja tekućine, malu težinu i jednostavan rad, što radnicima omogućuje da odmah počnu. Punilo se može odabrati prema radnim uvjetima koje nudi kupac. Postoji mnogo vrsta, a općenito se koriste kuglični prstenovi otporni na koroziju. Međutim, treba imati na umu da čvrsta suspendirana tvar može začepiti punilo zbog velikog promjera čestica, tako da općenito nije prikladna za obradu čvrste tvari. Na primjer, NH₃, HCl, H₂S, dušikovi oksidi i organski otpadni plinovi koje stvaraju tvornice mogu se učinkovito tretirati ovom opremom.

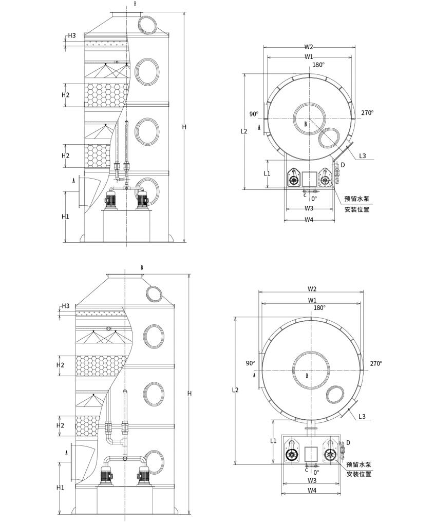
Struktura kemijskog skrubera:
Kao što je prikazano na slici: Kompletan pakirani sustav za pranje raspršivanjem uključuje sljedeće komponente:

1. Tijelo tornja izrađeno od PP (polipropilenskih) ploča;

2. Potporni okvir pakiranja od PP rešetkastih ploča;

3. Sprej spojne cijevi izrađene od UPVC;

4. PP spiralne mlaznice;

5. šuplja kugla ili Pall prstenasto pakiranje;

6. PP cirkulacijska pumpa otporna na koroziju;

7. Mrežasti sloj za odmagljivanje;

8. Ručni i automatski uređaji za nadopunjavanje vode;

9. Preljevne i odvodne cijevi;

10. Prozor za pregled.

Izbor kemijskog čistača:
Tablica tehničkih parametara nabijenog prskača

Kako bi se osigurala pogodnost i sigurnost transporta, PP pakirani raspršivači dijele se na dvije vrste:

Tip 1: Integrirani čistač s raspršivačem napunjen spremnikom za vodu (promjer tornja: Φ1000mm-Φ2200mm)

Tip 2: Ispirač raspršivačem s podijeljenim spremnikom za vodu (promjer tornja: Φ2500mm-Φ3500mm)


Specifikacije modela koje odgovaraju kapacitetu protoka zraka:

Model Volumen zraka Veličina uređaja Snaga vodene pumpe Debljina ispune Brzina vjetra Materijal opreme
LRTL-600 0-1500m³/h Φ600x3000 0,75kw 500*2 1,48 m/s PP/304/Q235/FRP
LRTL-800 1501-2500m³/h Φ800x3000 0,75kw 500*2 1,39 m/s PP/304/Q235/FRP
LRTL-1000 2501-4000m³/h Φ1000x5000 1,5kw 500*2 1,42 m/s PP/304/Q235/FRP
LRTL-1200 4001-6000m³/h Φ1200x5000 2,2kw 500*2 1,48 m/s PP/304/Q235/FRP
LRTL-1500 6001-9500m³/h Φ1500x5000 3,75kw 500*2 1,5 m/s PP/304/Q235/FRP
LRTL-1800 9501-14000m³/h Φ1800x5000 5,5kw 500*2 1,53 m/s PP/304/Q235/FRP
LRTL-2000 14001-17000m³/h Φ2000x6000 5,5kw 500*2 1,5 m/s PP/304/Q235/FRP
LRTL-2200 17001-20000m³/h Φ2200x6000 7,5kw 500*2 1,46 m/s PP/304/Q235/FRP
LRTL-2500 20001-27000m³/h Φ2500x6000 7,5kw 500*2 1,53 m/s PP/304/Q235/FRP
LRTL-2800 27001-33000m³/h Φ2800x6000 15kw 500*2 1,49 m/s PP/304/Q235/FRP
LRTL-3000 33001-38000m³/h Φ3000x6800 15kw 500*2 1,49 m/s PP/304/Q235/FRP
LRTL-3200 38001-44000m³/h Φ3200x6800 15kw 500*2 1,52 m/s PP/304/Q235/FRP
LRTL-3500 44001-55000m³/h Φ3500x6800 15kw 500*2 1,5 m/s PP/304/Q235/FRP

Napomena: Nestandardni dizajni mogu se prilagoditi prema zahtjevima kupaca.

Dijagram odabira:

Hangzhou Lvran Environmental Protection Group Co., Ltd.

  • 1000+

    Korisnici uslužnih jedinica

  • 2000+

    Nacionalni inženjerski slučajevi

Hangzhou Lvran Environmental Protection Group Co., Ltd. pružatelj je sveobuhvatnih inženjerskih usluga sustava za obradu otpadnih plinova i proizvođač opreme, koji integrira istraživanje i razvoj, tehničke usluge, dizajn, proizvodnju, inženjerske instalacije i usluge nakon prodaje.

We are China Kemijski skruber Suppliers and Wholesale Kemijski skruber Exporter, Company. Grupa je nacionalno visokotehnološko poduzeće, znanstveno i tehnološko poduzeće provincije Zhejiang, regionalni centar za istraživanje i razvoj i kreditna jedinica s AAA ocjenom. Posjeduje više od 30 patenata za korisne modele, brojne patente za izume i autorska prava na softver. Grupa ima dugogodišnju suradnju u tehničkom istraživanju i razvoju s domaćim sveučilištima i institucijama, uključujući "Centar za istraživanje i razvoj inovacija u zaštiti okoliša" osnovan sa Sveučilištem za znanost i tehnologiju Anhui i "Centar za istraživanje i razvoj nove tehnologije u vezi s plazmom" koji je zajednički razvijen sa Sveučilištem za znanost i tehnologiju Zhejiang. Grupa je uspostavila vlastitu bazu za istraživanje i razvoj i proizvodnju za dubinsku tehničku suradnju. Grupa posjeduje osnovnu tehnologiju obrade VOC plinova, ima kvalifikaciju općeg ugovaranja razine 2 za gradnju gradskih javnih radova, licencu za sigurnu proizvodnju, kvalifikaciju specijalnog dizajna klase B za kontrolu onečišćenja okoliša u provinciji Zhejiang, kvalifikacije neklasificirane radne snage i specijalizirano ugovaranje za posebne projekte. Grupa ima certifikat ISO9001 za međunarodnu kvalitetu, ISO14001 za upravljanje okolišem i ISO45001 za zdravlje i sigurnost na radu.

ČAST & CERTIFIKAT

Sljedeće počasti predstavljaju našu briljantnost. Dobivamo kupce visokokvalitetnim proizvodima i osvajamo pohvale na tržištu i svim slojevima društva dobrim uslugama.

  • Osnovna jedinica s visokim električnim poljem pločastog tipa i reaktor za sprječavanje curenja po površini
  • Reakcijski uređaj za sintezu metanola korištenjem ugljikovog dioksida i vode i metoda za sintezu metanola korištenjem ugljikovog dioksida i vode
  • Samočisteći elektrostatički filter
  • Visokotlačni ventilator otporan na koroziju s funkcijom podešavanja smjera vjetra
  • Podesivi samočisteći ventilator velikog kapaciteta
  • Kombinirani sustav upravljanja prethodnom obradom ispušnih plinova s ​​katalitičkom rasplinjavanjem
  • Sustav za pročišćavanje i obradu ispušnih plinova s ​​kontinuiranim elektrostatskim poljem čišćenja parom
  • Sustav opreme za pročišćavanje ispušnih plinova s ​​UV fotolizom niske temperature plazme
  • Potvrda o registraciji žiga
Nedavne vijesti i događaji
Podijelite s vama
Pogledajte više vijesti