Veleprodaja Cyclone Plate Mokri skruber

  • Cyclone Plate Mokri skruber

Cyclone Plate Mokri skruber

Ciklonski toranj za pročišćavanje obično ima cilindrično tijelo tornja opremljeno spiralnim odbojnim pločama. Tijekom rada, dimni plin ulazi s dna tornja tangencijalno i teče prema gore. Vođen lopaticama odbojnih ploča, plin se spiralno penje prema gore, raspršujući tekućinu koja teče niz ploče u fine kapljice. Ovo stvara veliko područje kontakta plina i tekućine. Kapljice nosi struja plina i okreću se, generirajući centrifugalnu silu koja pojačava interakciju plina i tekućine. Na kraju, kapljice se bacaju na zid tornja, teku prema dolje duž zida do sljedeće pregradne ploče i ponovno se atomiziraju strujom plina za daljnji kontakt. Kao što je opisano, tekućina ostvaruje potpuni kontakt s plinom uz održavanje učinkovitog odvajanja—minimizirajući uvlačenje magle. Kapacitet opterećenja plin-tekućina ovog sustava više je nego dvostruko veći od konvencionalnih pregradnih ploča.

Izvrsni uvjeti kontakta plina i tekućine u tornju osiguravaju učinkovitu apsorpciju otpadnih plinova alkalnim tekućinama. Dodatno, ciklonski toranj za čišćenje pokazuje vrhunsku izvedbu uklanjanja prašine. Čestice prašine u plinu hvata vodena magla na spiralnim pregradnim pločama, a čestice i kapljice bačene na zid tornja centrifugalnom silom također se učinkovito uklanjaju. Kao rezultat toga, plin koji izlazi iz tornja nosi minimalnu količinu prašine i kapljica. Brzina vjetra praznog tornja kreće se između 2,2–2,7 m/s.

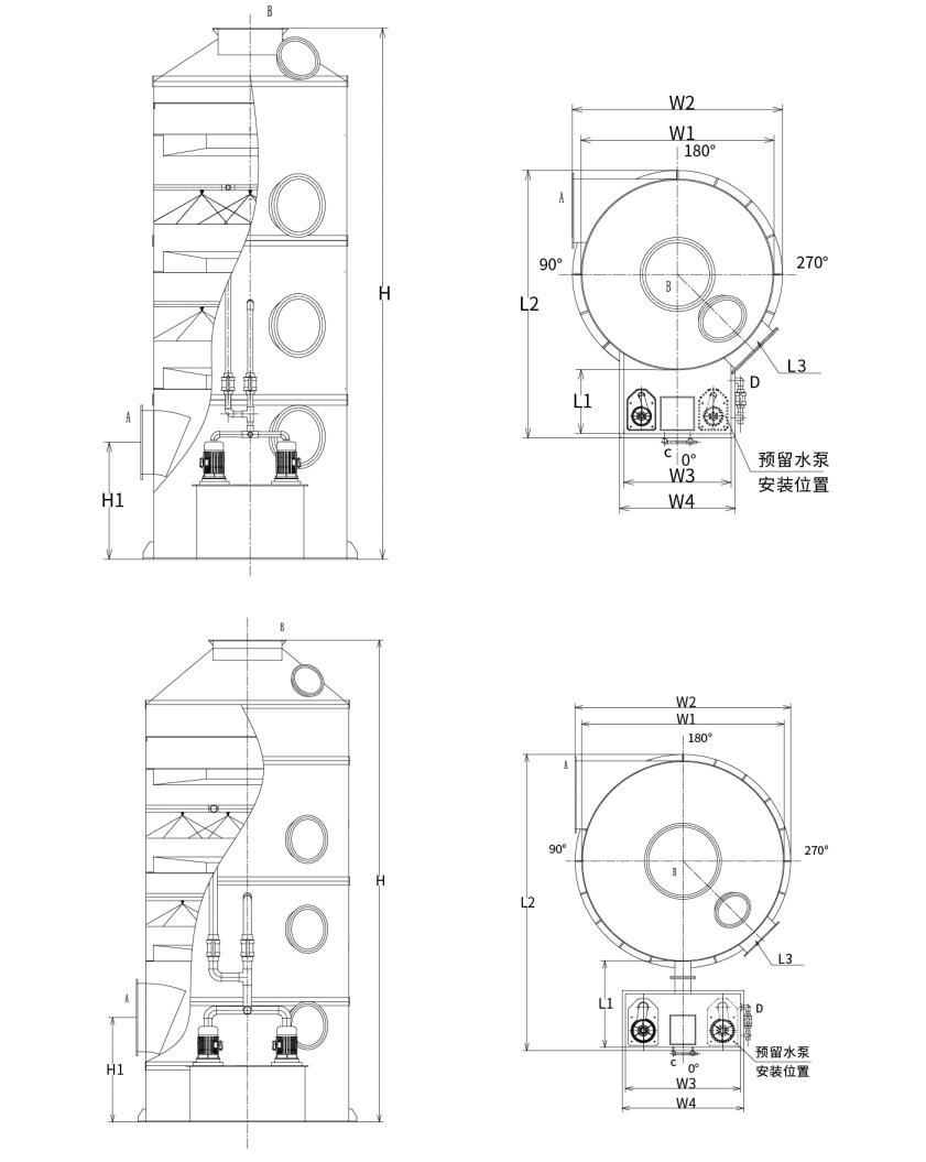
Struktura tornja za vrtložno prskanje:
Kao što je prikazano na slici: Kompletan pakirani sustav za pranje raspršivanjem uključuje sljedeće komponente:

● Tijelo tornja od PP (polipropilenskih) ploča;

● Okvir izrađen od PP spiralnih pregrada;

● Spray spojne cijevi izrađene od UPVC (neplastificiranog polivinil klorida);

● PP spiralne mlaznice;

● PP cirkulacijska pumpa otporna na koroziju;

● Sloj za odmagljivanje (mrežasti/ciklonski/pregradni tip);

● Ručni i automatski uređaji za nadopunjavanje vode;

● Preljevne i odvodne cijevi;

● Prozor za pregled.

Parametri odabira tornja ciklonske ploče:
Kako bi se osigurala pogodnost i sigurnost transporta, PP ciklonski tornjevi za čišćenje podijeljeni su u dvije kategorije specifikacija:

Tip 1: Integrirani spremnik za vodu ciklonski skruber (promjer tornja: Φ1000mm-Φ2200mm)

Tip 2: Ciklonski skruber podijeljenog spremnika za vodu (promjer tornja: Φ2500mm-Φ3500mm)


Modeli ciklonskih tornjeva za čišćenje koji odgovaraju kapacitetu protoka zraka:

Model Raspon volumena zraka Veličina uređaja Snaga vodene pumpe Broj vrtložnih lopatica Raspon brzine vjetra Materijal opreme
XL-600 0-2800m³/h Φ600×2950 0,75kw 2 0-2,76 m/s PP/304/Q235/FRP
XL-800 3800-5000m³/h Φ800×3300 0,75kw 2 2,11-2,77 m/s PP/304/Q235/FRP
XL-1000 6000-7500m³/h Φ1000×4380 1,5kw 2 2,13-2,66 m/s PP/304/Q235/FRP
XL-1200 8500-11000m³/h Φ1200×4430 2,2kw 2 2,09-2,71 m/s PP/304/Q235/FRP
XL-1500 14000-17000m³/h Φ1500×5000 3,75kw 2 2,2-2,68 m/s PP/304/Q235/FRP
XL-1800 20000-25000m³/h Φ1800×5650 5,5kw 2 2,19-2,73 m/s PP/304/Q235/FRP
XL-2000 25001-30000m³/h Φ2000×6200 5,5kw 2 2,21-2,66 m/s PP/304/Q235/FRP
XL-2200 30001-37000m³/h Φ2200×6700 7,5kw 2 2,19-2,71 m/s PP/304/Q235/FRP
XL-2500 40000-47000m³/h Φ2500×6850 7,5kw 2 2,27-2,66 m/s PP/304/Q235/FRP
XL-2800 49000-58000m³/h Φ2800×7900 11kw 2 2,21-2,62 m/s PP/304/Q235/FRP
XL-3000 58000-68000m³/h Φ3000×8000 11kw 2 2,28-2,67 m/s PP/304/Q235/FRP
XL-3200 68000-78000m³/h Φ3200×8000 15kw 2 2,35-2,7 m/s PP/304/Q235/FRP
XL-3500 78000-88000m³/h Φ3500×8000 15kw 2 2,25-2,54 m/s PP/304/Q235/FRP

Napomena: Nestandardni dizajni mogu se izraditi prema zahtjevima kupaca.

Dijagram odabira:

Hangzhou Lvran Environmental Protection Group Co., Ltd.

  • 1000+

    Korisnici uslužnih jedinica

  • 2000+

    Nacionalni inženjerski slučajevi

Hangzhou Lvran Environmental Protection Group Co., Ltd. pružatelj je sveobuhvatnih inženjerskih usluga sustava za obradu otpadnih plinova i proizvođač opreme, koji integrira istraživanje i razvoj, tehničke usluge, dizajn, proizvodnju, inženjerske instalacije i usluge nakon prodaje.

We are China Cyclone Plate Mokri skruber Suppliers and Wholesale Cyclone Plate Mokri skruber Exporter, Company. Grupa je nacionalno visokotehnološko poduzeće, znanstveno i tehnološko poduzeće provincije Zhejiang, regionalni centar za istraživanje i razvoj i kreditna jedinica s AAA ocjenom. Posjeduje više od 30 patenata za korisne modele, brojne patente za izume i autorska prava na softver. Grupa ima dugogodišnju suradnju u tehničkom istraživanju i razvoju s domaćim sveučilištima i institucijama, uključujući "Centar za istraživanje i razvoj inovacija u zaštiti okoliša" osnovan sa Sveučilištem za znanost i tehnologiju Anhui i "Centar za istraživanje i razvoj nove tehnologije u vezi s plazmom" koji je zajednički razvijen sa Sveučilištem za znanost i tehnologiju Zhejiang. Grupa je uspostavila vlastitu bazu za istraživanje i razvoj i proizvodnju za dubinsku tehničku suradnju. Grupa posjeduje osnovnu tehnologiju obrade VOC plinova, ima kvalifikaciju općeg ugovaranja razine 2 za gradnju gradskih javnih radova, licencu za sigurnu proizvodnju, kvalifikaciju specijalnog dizajna klase B za kontrolu onečišćenja okoliša u provinciji Zhejiang, kvalifikacije neklasificirane radne snage i specijalizirano ugovaranje za posebne projekte. Grupa ima certifikat ISO9001 za međunarodnu kvalitetu, ISO14001 za upravljanje okolišem i ISO45001 za zdravlje i sigurnost na radu.

ČAST & CERTIFIKAT

Sljedeće počasti predstavljaju našu briljantnost. Dobivamo kupce visokokvalitetnim proizvodima i osvajamo pohvale na tržištu i svim slojevima društva dobrim uslugama.

  • Osnovna jedinica s visokim električnim poljem pločastog tipa i reaktor za sprječavanje curenja po površini
  • Reakcijski uređaj za sintezu metanola korištenjem ugljikovog dioksida i vode i metoda za sintezu metanola korištenjem ugljikovog dioksida i vode
  • Samočisteći elektrostatički filter
  • Visokotlačni ventilator otporan na koroziju s funkcijom podešavanja smjera vjetra
  • Podesivi samočisteći ventilator velikog kapaciteta
  • Kombinirani sustav upravljanja prethodnom obradom ispušnih plinova s ​​katalitičkom rasplinjavanjem
  • Sustav za pročišćavanje i obradu ispušnih plinova s ​​kontinuiranim elektrostatskim poljem čišćenja parom
  • Sustav opreme za pročišćavanje ispušnih plinova s ​​UV fotolizom niske temperature plazme
  • Potvrda o registraciji žiga
Nedavne vijesti i događaji
Podijelite s vama
Pogledajte više vijesti